一、終產物簡介
1、貨物特征:
- 導出的電壓投資規模:3.5V-32V
- 傳輸電流電壓數量:2.0V-30V
- 更大模擬輸出瞬時電流:5A
- 電開關次數:150KHz/300KHz
- 集變為了2個9mΩ FET
- 撐持PWM調壓、調電流值
- 撐持欠壓、過壓、過流、不導通、高溫等保護
- 打包封裝:QFN5x5-32
2、充分利用人生的道理圖:
3、終產物刻畫
PL94053 是一種款同步軟件 4 電開關降血壓-升壓有節制器,夠或者或者在低過或低過傷害精度傷害輸出功率時調理身體傷害精度傷害輸出功率。PL94053可在 3.6 V 至 32 V(最明顯 36 V)的寬傷害精度傷害輸出功率整體規模內世界任務,以撐持各種類型充分利用。集合兩只 9mΩ 輸出功率場邊際效應管。 PL94053 在減壓、升壓和減壓-升壓作內容下認同勻速運動導通是控制,以達到卓越的帶載這樣才華和電路才華購買到合適的這樣才華。開關按鈕頻率和次數能夠而你遵循 FREQ 引腳和 AGND 引腳之間的阻值值的區別使用為 150kHz、300kHz、600kHz 或 1200kHz。該配件還配備可和程序編寫軟初始化攻效,并市場出清各種各樣無球攻效,含蓋逐過渡期直流電限定皮膚、模擬輸出欠壓選擇 (UVLO)、模擬輸出過壓無球 (OVP)、模擬輸出過壓無球、熱關斷和模擬輸出燒壞無球等。 VADJ、IADJ 引腳主要用于c語言編程傳輸 VBUS 工作電流值和傳輸工作電流限量,市場機制工作電流值規范二次二次回路、恒流二次二次回路、熱食補二次二次回路、水溫心存,這會使PL94053當上 USB 輸電 (PD) 通過的必備選取。
4、榜樣利用率處景
- 汽車導航智能電子
- 新驅動力配電管理體制
- 攜便式式裝配
- 行業電量壓實現供給充足器
- HUB外接電源
5、封裝新信息
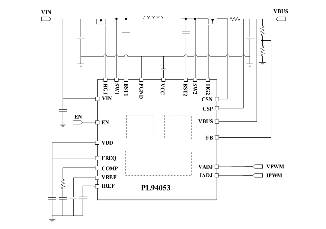
6、管腳界說和效果描述
管腳功郊描繪
序號 | 稱號 | 描寫 |
---|---|---|
1 | BST1 | 用于高側場效應管驅動器的升壓引腳1。 |
2 | HG1 | 高側場效應管驅動器1。 |
3 | VIN | 將此引腳毗連到輸出電壓。 |
4,29 | SW1 | 將此引腳毗連到功率級的電壓轉換節點 |
5,13,20 | AGND | 摹擬地。將 PGND 和 AGND 一路毗連到 IC 下的導熱墊上。 |
6 | EN | 拉高將啟用轉換器。拉低將禁用除 LDO 之外的全部 PL94053。當 EN 為低電日常平凡,只要 LDO(線性穩壓器) 為體系 MCU 供電。 |
7 | VDD | 5.4V電源,用于PL94053節制內核。 |
8 | VADJ | 毗連0-2V摹擬電壓或PWM旌旗燈號,以在VREF引腳上編程電壓參考。將此引腳毗連到VDD將強迫VREF恒定為2V。 |
9 | IADJ | 毗連0-2V摹擬電壓或PWM旌旗燈號以編程IREF引腳上的電壓參考。將此引腳毗連到VDD將強迫IREF為2V。 |
10 | IREF | 輸出和輸出限流回路的參考電壓。 |
11 | VREF | 電壓節制回路的電壓基準 |
12 | LDO | 低靜態電流 5V/55mA LDO。間接由VIN引腳供電。LDO可用作MCU等利用處置器的電源。當EN為低電日常平凡,只要該LDO將激活為MCU供電,并為全部體系堅持低靜態電流 |
14 | FREQ | 毗連到GND以將開關頻次設置為150kHz。將此引腳毗連到VDD以將開關頻次設置為300kHz。毗連到VDD和GND之間的電阻分壓器,將頻次設置為600k和1200kHz。 |
15 | COMP | 偏差縮小器輸出。 |
16 | FB | VBUS總線電壓反應。將VBUS和GND之間的電阻分壓器毗連到FB以編程VBUS電壓。 |
17 | CSN | 輸出電流檢測的負輸出。 |
18 | CSP | 輸出電流檢測的正輸出。 |
19 | VBUS | 毗連到VBUS總線滑軌。 |
21,28 | SW2 | 將此引腳毗連到功率級的開關點 2。 |
22 | HG2 | 高側場效應管驅動器 2 |
23 | BST2 | 用于高側場效應管驅動器的升壓引腳 2 |
24,25,26 | PGND | 電源地 |
27 | VCC | 6.6V電源,用于高壓側和高壓側驅動器。 |
30,31,32 | PGND | 電源地 |
二、工藝文檔文件
范例 | 標題 | 上傳時候 | 文檔下載 |
生成物金橋銅業跨接線的截面積大小書(國外英文) | PL94053_Datasheet_en_r1.0 | 2025/04/09 | PDF下載 |
三、利用工作方案
序號 | 標題 |
1 |
車充單C 30W處理計劃
|
2 |
車載電子計劃
|
3 |
多口充雙C起落壓處理計劃
|
4 |
無線充計劃
|